[Repair Case] 2020 Audi A6L unable to turn on the ignition switch.
Posted by Tony Brown on
Model: 2020 Audi A6L (C8), equipped with 2.0T DKWB engine and 0CK transmission.
Driving Mileage: 6,308 miles.
Issue: After being parked for two days, the vehicle’s ignition switch cannot be turned on and the engine cannot be started. There is only one yellow warning light on the instrument cluster, as shown in Figure 1.

Figure 1

Troubleshooting: All users of the Comfort Bus cannot be reached, indicating that the fault lies in the alignment, grounding, or mutual shortness of the bus lines. After checking with a multimeter, it was found that the high and low line voltages of the vehicle's network bus were both 12.69V. As there are many control units involved, and the route of the wiring is also complicated, the whole wiring harness cut-off inspection workload is very large, and the customer's confidence is not high.
Malfunctions suddenly appear, and the high and low lines are short-circuited at the same time. This situation should be that a certain control unit is not working well; the possibility of line failure is very low.
Under the premise that there is no good solution, I decided to disconnect the left and right front door control units and check whether the voltage has changed. After disconnecting the left and right front door connectors, the measured bus voltage is still 12.69V, as shown in Figure 3.

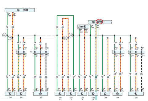
Considering the convenience of disconnecting the control unit, the J393 connector of the comfort system main control unit was then disconnected; at this time, the high and low line voltage of the bus returned to the normal voltage (as shown in Figure 4 and Figure 5).


Plug the J393 connector again, and the malfunction disappears. The vehicle can normally turn on the ignition switch and start the engine. For safety reasons, the comfort system main control unit J393 has been replaced for the customer.
Summary: There is an intermittent fault inside the car J393, which causes the high and low line voltage of the bus to always be the battery voltage and communication cannot be carried out. For similar faults, there is no more effective method to quickly determine the fault point without the bus separation connector. Diagnosis and troubleshooting can only be conducted based on the frequent occurrence of failure causes of similar models and the convenience of disassembly and assembly of related parts.