[Repair Case] 2019 Mercedes-Benz EQC400’s Instrument Prompts Protection System Failure
Posted by Tony Brown on
Issue: A Mercedes-Benz EQC400 pure electric vehicle in 2019, with a mileage of 2352km. The customer complained that the meter showed that the protection system was faulty and the battery light was on.
Diagnosis: Start the vehicle, the instrument displays the fault of the protection system and the battery light is on. The customer reports that the car has been driven for more than a month and has been in normal use. It suddenly broke down lately when driving, and no maintenance has been done before.
Quickly test the vehicle with a special diagnostic instrument for Mercedes-Benz (XENTRY), and the result is that there is a current fault code in the airbag control unit, as shown in Figure 1.
Figure 1
After conducting a pilot test on the fault code, the result of the guidance was to check the wiring and plug of the F63 pre-melted fuse to the SRS control unit (N2/10). We tried to delete the fault code, but soon the fault light turned on again, and the fault code was still the same. It then could be confirmed that the safety protection system was faulty, and from the fault code and guide test, the possible causes of the fault were N2/10 fault, F63 failure, N2/10 to F63 line failure.
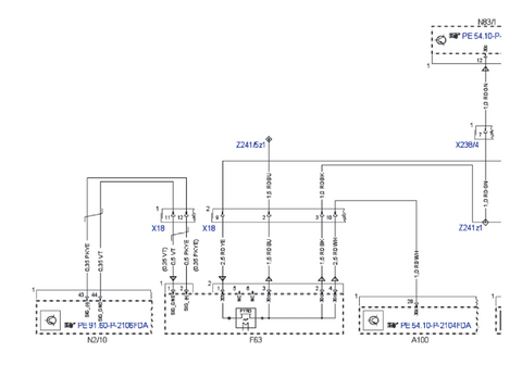
The blast fuse is located under the instrument panel on the right, with its role to reduce the risk of fire after an accident. According to XENTRY result, the circuit diagram of this fuse in WIS is as shown in Figure 2.
Figure 2
It can be seen from the figure that the F63 is triggered by the SRS control unit, and the 30t power supply is sent to the on-board electrical appliances after passing through the fuse, such as supplying power to A100 and outputting through Z241/5z1. Measure the continuity of the two lines from N2/10 to F63 explosive fuse. The resistance of the two wires is above 2.40MΩ, which is abnormal, indicating that the wires are open.
Look up the location of X18 in WIS and find that X18 is divided into three plugs, namely X18 (1), X18 (2) and X18 (3), and they are all located on the right front floor.
Figure 3
When removing the right front seat and preparing to check the wires from X18 to N2/10 and F63, a lot of water was found on the back of the carpet and on the floor. We removed the 3 plugs and we found them all corroded. After asking the customer if water was once poured into the car, and the answer was no. In this way, it was judged that the water leaked from the right drain on the windshield or the air conditioning drain to the right front passenger floor in the car.
According to the analysis in the previous step, we first checked the air conditioner drain pipe, and found which was not installed properly, causing the air conditioner condensate to flow into the room. Re-install the air conditioner drain pipe, clean all corroded and hidden plugs, dry indoor water stains, and delete the fault code. Turn on the air conditioner test and this time the fault disappeared. After loading all the components into the vehicle and a test drive, the vehicle was running normally; the vehicle was therefore delivered to the customer, and it performed well after a week’s following up, the fault was completely eliminated.